HOME > Á¦Ç°¼Ò°³ > Line Filter >
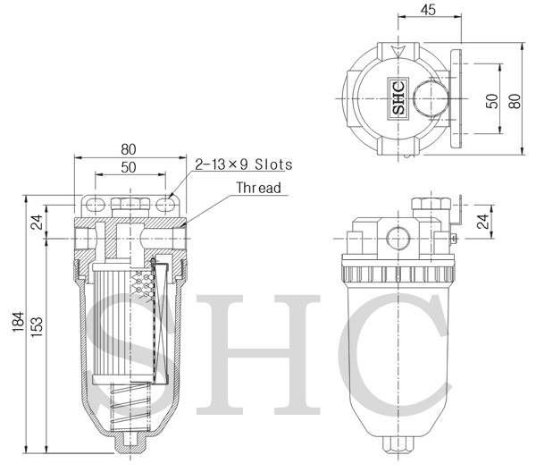
FH-150