HOME > Á¦Ç°¼Ò°³ > Valve >
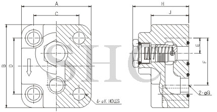
SRG Right Angle Check Valve